TRANSFORMER

TRANSFORMER

밴드타입 트랜스

변압기의 코어는 금속 커버로 감싸져 있어 소형 제어용 변압기를 견고하게 고정하고 내구성을 높여주는 구조를 제공합니다.
코일 권선은 납땜 또는 와이어로 연결되며, 10VA에서 80VA 범위의 변압기에 적용됩니다.

제품 사양

Double-Winding Transformer
(Isolatded Transformer)
Auto Transformer
Primary Voltage 50V TO 700V 50V TO 600V
Secondary Voltage 12V TO 700V 25V TO 300V
Frequency 50/60 Hz 50/60 Hz
Insulation Class B CLASS / H CLASS B CLASS / H CLASS
VA Ratings 10VA TO 80VA 20VA TO 150VA

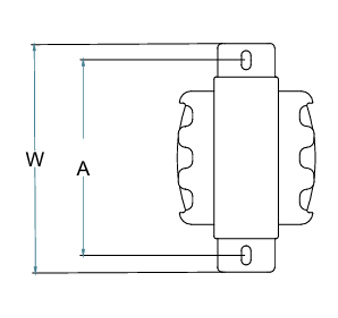
외형도

복권 밴드타입 트랜스

복권 밴트타입 트랜스포머 사이즈
단위 (mm)

용량/(mm) W D H A
10VA 73 50 47 61
20VA 88 50 53 73
30VA 95 55 60 85
40VA 105 60 70 95
50VA 105 72 70 95

※ 기타 제품 사양은 문의바랍니다.

단권 밴드타입 트랜스

단권 밴드타입 트랜스포머 사이즈
단위 (mm)

용량/(mm) W D H A
20VA 73 50 47 61
30VA 88 50 53 73
50VA 95 55 60 85
80VA 105 60 70 95
100VA 105 72 70 95

※ 기타 제품 사양은 문의바랍니다.

개인정보처리방침

제1장 총칙

삼우전기는 고객의 개인정보를 안전하게 보호하기 위하여 상시 최선의 노력을 다하고 있습니다.
삼우전기는 개인정보보호 관련 주요 법률인 『개인정보보호법』, 『정보통신망 이용촉진 및 정보보호 등에 관한 법률』 등 관련 법률과 각종 법규를 준수하고 있습니다.
또한 개인정보처리방침을 홈페이지에 공개하여 고객님께서 쉽게 열람하실 수 있도록 하고 있습니다.

제2장 수집하는 개인정보의 항목 및 수집방법

삼우전기는 회원가입, 원활한 고객상담, 각종 서비스의 제공을 위하여 아래와 같이 최소한의 개인정보만을 수집하고 있습니다.
1. 수집하는 개인정보의 항목
가. 필수항목
ㅇ 성명, 성별, 생년월일, 내외국인 구분, 주소, 연락처 등 서비스에 필요한 최소한의 식별정보
나. 선택사항
ㅇ 기타 서비스 제공을 위한 추가적인 정보
다. 서비스 이용 또는 업무처리 과정에서 생성되어 수집될 수 있는 정보
ㅇ IP Address, 쿠키, 방문일시, 서비스 이용 기록, 접속로그 등
2. 개인정보 수집방법
가. 온라인 회원가입, 설문조사, 이벤트응모 등

제3장 개인정보의 수집 및 이용 목적

삼우전기는 수집한 개인정보를 다음의 목적을 위해 이용합니다.
1. 서비스 제공에 관한 계약이행 및 서비스 제공에 따른 요금정산
가. 컨텐츠 제공, 특정맞춤 서비스 제공, 물품배송
나. 서비스 제공관련 안내, 서비스 가입/변경/해지처리, 구매 및 대금결재
2. 회원관리
가. 컨텐츠 제공, 특정맞춤 서비스 제공, 물품배송
나. 가입의사 확인, 분쟁조정을 위한 기록보존, 불만처리 등 민원처리
다. 고지사항 전달
3. 마케팅 및 광고에 활용
가. 이벤트 등 광고성 정보 전달, 이벤트 당첨 시 물품배송
나. 서비스 이용에 대한 통계, 서비스 품질 개선, 접속빈도 파악
다. 신규서비스(제품) 및 특화, 인구통계학적 특성에 따른 서비스 제공 및 광고

제4장 개인정보 수집 및 이용 등에 관한 동의방법

1. 고객님의 개인정보 수집 시에는 관련 법령의 규정에 따라 개인정보의 수집 이용목적과 제 3자 제공 및 위탁 등에 대한 내용을 고객님께 알리거나 동의를 통해 고지하고 있습니다.
2. 고객님께서는 아래와 같은 방법을 통하여 개인정보 수집 및 이용에 동의하실 수 있습니다.
가. 서비스 가입ㆍ이용ㆍ변경 신청서 등에 첨부된 '개인정보의 수집ㆍ이용ㆍ위탁 동의서'에 서명하는 방법
나. 콜센터 및 기타 전화 등을 통한 상담원으로부터 직접 동의내용을 안내 받아 확인한 후, 동의 의사표시를 하는 방법
다. 회사 웹사이트 및 각종 패밀리 사이트에 게시된 '개인정보처리방침'의 동의내용을 확인 후, 직접클릭하는 방법

제5장 개인정보의 보유 및 이용기간

는 고객님의 개인정보를 고객님께 서비스를 제공하는 기간 내지는 분쟁처리 기간 동안 보유하고 활용합니다. 다만, 법률에 특별한 규정이 있는 경우에는 관계 법령에 따라 보관합니다.
가. 이용기간 : 서비스 가입기간 또는 분쟁기간 동안
나. 보유기간 :
1) 신용정보의 수집/처리 및 이용 등에 관한 기록 : 3년
2) 소비자의 불만 또는 분쟁처리에 관한 기록 : 3년
3) 대금결제 및 재화 등의 공급에 관한 기록 : 5년
4) 계약 또는 청약철회 등에 관한 기록 : 5년
5) 표시/광고에 관한 기록 : 6개월

제6장 개인정보의 공유 및 제공

삼우전기는 고객님의 개인정보를 이용목적에 한해서만 활용하며, 원칙적으로 외부에 제공 하지않습니다. 단, 아래의 경우는 예외로 합니다.
가. 고객님의 사전 동의가 있는 경우
나. 관련 법령의 특별한 규정이 있는 경우
다. 수사목적으로 법령에 정해진 절차와 방법에 따라 수사기관의 요구가 있는 경우

제7장 개인정보의 처리위탁

1. 삼우전기는 서비스의 효율적인 운영을 위하여 개인정보처리업무를 위탁하고 있으며, 수탁자에 대해서는 협정서 등을 통하여 관련 법규를 준수하도록 관리하고 있습니다.
2. 개인정보처리업무 수탁사 및 위탁내용은 아래와 같습니다.
수탁사 위탁목적
KG이니시스 신용카드 결제처리 대행
SCI평가정보(주) 본인인증
한진택배, 지씨트레이딩 택배 서비스 물품 및 이벤트 경품 배송 등 대행

제8장 개인정보 파기절차 및 방법

삼우전기는 원칙적으로 개인정보 수집 및 이용목적이 달성된 후에는 해당 정보를 지체없이 파기합니다. 파기절차 및 방법은 다음과 같습니다.
1. 파기절차
가. 고객님께서 서비스 가입 등을 위해 제공(입력)하신 정보는 이용목적이 달성된 후 별도의 DB로 옮겨져(지면의 경우 별도의 서류함) 내부방침 및
기타 관련법령에 의한 정보보호 사유(보유 및 이용기간 참조)에 따라 일정기간 저장된 후 파기됩니다.
나. 파기대상 : 보유기간 및 관련법령에 따른 보존기간이 종료된 고객정보
2. 파기방법
가. 종이(서면)에 작성 출력된 개인정보는 분쇄하거나 소각을 통하여 파기
나. DB 등 전자적 파일 형태로 저장된 개인정보는 재생할 수 없는 기술적 방법으로 삭제

제9장 이용자 및 법정대리인의 권리와 그 행사방법

고객님께서는 언제든지 개인정보에 대한 열람, 정정을 요구하시거나 가입해지 및 개인정보의 수집과 이용, 위탁 또는 제공에 대한 동의를 철회를 하실 수 있습니다.
고객님의 개인정보 열람 및 정정을 위해서는 개인정보변경'(또는 고객정보수정)을, 가입해지(동의철회)를 위해서는 ‘회원 탈퇴’를 클릭하여 본인확인 절차를 거치신 후 열람, 정정 및 탈퇴가 가능합니다.
1. 개인정보의 열람증명 또는 정정
가. 고객님께서는 회사를 직접 방문하시거나 전화, 이메일 등을 통하여 개인정보에 대한 열람증명을 요구할 수 있습니다.
나. 고객님께서 본인의 개인정보에 대한 열람증명을 요구하시는 경우 고객님의 신분을 증명할 수 있는 신분증명을 제시받아 본인 여부를 확인합니다.
다. 고객님의 대리인이 열람증명을 요구하는 경우에는 대리 관계를 나타내는 위임장, 명의 고객님의 인감증명서와 대리인의 신분증명서 등의 증표를 제시받아 대리인인지 여부를 확인합니다.
라. 고객님의 개인정보는 오류에 대한 정정을 요구하신 경우에는 정정을 완료하기 전까지 당해 개인정보를 이용 또는 제공하지 않습니다. 또한 잘못된 개인정보를 제3자에게 이미 제공한
경우에는 정정 처리결과를 제3자에게 지체없이 통지하여 정정이 이루어지도록 하겠습니다.
2. 개인정보의 수집과 이용 또는 제공에 대한 동의 철회
가. 고객님께서는 위 제1항 ‘나’에 고지된 신분증을 지참하시고 회사에 방문하여 개인정보의 수집과 이용, 위탁 또는 제공에 대한 동의를 선택적으로 철회하 실 수 있습니다.
나. 해당 서비스 담당자 및 회사 개인정보보호책임자에 전화나 이메일 등으로 연락하시면 지체 없이 조치하겠습니다.
※ 단, 서비스 제공에 필요한 필수정보의 수집과 이용에 관한 동의철회는 예외로 합니다.
다. 회사는 고객님의 요청에 따라 해지 및 삭제된 개인정보는 보유 및 이용기간에 명시된 바에 따라 처리하고 그 외의 용도로 이용할 수 없도록 처리하고 있습니다.

제10장 아동의 개인정보보호

1. 삼우전기는 만 14세 미만 아동은 회원으로 가입할 수 없게 하고 있습니다

제11장 개인정보 자동수집 장치의 설치ㆍ운영 및 거부에 관한 사항

삼우전기는 홈페이지 운영에 있어 필요 시 고객님의 정보를 찾아내고 저장하는 ‘쿠키 (Cookie)'를 운용합니다.
쿠키는 회사의 웹사이트를 운영하는데 이용되는 서버가 고객님의 브라우저에 보내는 아주 작은 텍스트 파일로서 고객님의 컴퓨터 하드디스크에 저장됩니다.
고객님께서는 웹브라우저의 보안 정책을 통해 쿠키에 의한 정보수집의 허용ㆍ거부 여부를 결정 하실 수 있습니다.
1. 쿠키에 의해 수집되는 정보 및 이용 목적
가. 수집정보 : 접속IP, 접속로그, 이용 컨텐츠 등 서비스 이용정보
나. 이용목적 : 접속 빈도나 방문 시간 등을 분석하여 이용자의 취향과 관심분야를 파악하여 타켓(Target)마케팅에 활용 (쇼핑한 품목들에 대한 정보와 관심 있게 둘러본 품목들에 대한
자취를 추적)하여 다음 번 쇼핑 때 맞춤서비스를 제공하고자 합니다.
2. 고객님은 쿠키 설치에 대한 선택권을 가지고 있습니다. 따라서 웹브라우저에서 옵션을 설정함으로써 쿠키에 의한 정보 수집 수준의 선택을 조정하실 수 있습니다
가. 웹브라우저의 [도구]메뉴에서 [인터넷옵션]->[보안]->[사용자 정의 수준]을 선택하여 쿠키에 의한 정보 수집 수준을 정할 수 있습니다.
나. 위에 제시된 메뉴를 통해 쿠키가 저장될 때마다 확인을 하거나, 아니면 모든 쿠키의 저장을 거부할 수도 있습니다.
단, 고객님께서 쿠키 설치를 거부하였을 경우 서비스 제공에 어려움이 있을 수 있습니다.

제12장 개인정보의 기술적ㆍ관리적 보호 대책

삼우전기는 고객님의 개인정보가 분실, 도난, 유출, 위∙변조 또는 훼손되지 않도록 안전성 확보를 위하여 다음과 같은 기술적, 관리적 대책을 마련하고 있습니다.
1. 기술적 보호대책
가. 개인정보는 비밀번호에 의해 보호되며, 중요한 데이터는 별도의 보안기능을 통해 보호되고 있습니다.
나. 백신 프로그램을 이용하여 바이러스에 의한 피해를 방지하기 위한 조치를 취하고 있으며, 백신프로그램은 주기적으로 업데이트하고 있습니다.
2. 관리적 보호대책
가. 삼우전기는 고객님의 개인정보에 대한 관리와 접근에 필요한 절차를 마련하여 임직원이 이를 숙지하고 준수할 수 있도록 주기적으로 관리하고 있습니다.
나. 삼우전기는 고객님의 개인정보를 처리할 수 있는 자를 최소한으로 제한하고 접근권한을 관리하고 있으며, 개인정보보호의무 등에 관해 교육을 통하여 법규 및 정책을 준수할 수 있도록 하고 있습니다. 고객님의 개인정보를 처리하는 자는 다음과 같습니다.
① 고객을 직ㆍ간접적으로 상대하여 마케팅 업무를 수행하는 자
② 개인정보보호책임자 및 개인정보보호담당자등 관련업무를 수행하는 자
③ 기타 업무 상 개인정보의 처리가 불가피한 자
다. 전 임직원에 대하여 사내보안서약서에 서명하게 함으로써 직원에 의한 정보유출을 사전에 방지하고, 수시로 개인정보보호 의무를 상기시키며 준수여부를 감시하기 위한 내부절차를 마련하여 시행하고 있습니다.
라. 개인정보 처리자의 업무 인수인계는 보안이 유지된 상태에서 철저하게 이뤄지고 있으며, 입사 및 퇴사 후 개인정보 침해사고에 대한 책임을 명확하게 규정하고 있습니다.
마. 회사는 전산실 및 자료보관실 등을 통제구역으로 설정하여 출입을 통제합니다.
바. 회사는 고객님 개인의 실수나 기본적인 인터넷의 위험성 때문에 일어나는 일들에 대해 책임을 지지 않습니다.
고객님의 개인정보를 보호하기 위해서 자신의 ID와 비밀번호를 철저하게 관리하고 책임을 져야 합니다.

제13장 개인정보보호책임자 및 담당자의 연락처

삼우전기는 고객님의 개인정보를 보호하고 개인정보와 관련한 불만 및 문의사항을 처리하기 위 하여 아래와 같이 관련부서를 지정하여 운영하고 있습니다.
고객님께서 문의사항이 있을 경우 회사를 직접 방문하시거나 콜센터 또는 개인정보 담당부서로 문의하시면 신속하게 답변 드리겠습니다.
1. 개인정보 보호책임 부서 및 연락처
가. 개인정보보호책임자
ㅇ 성 명 : OOO
ㅇ 부 서 : OOO
나. 개인정보보호담당자
ㅇ 성 명 : OOO
ㅇ 부 서 : OOO
다. 연락처 : 010-9135-9061 / ghosty20@navee.com
2. 기타 개인정보침해에 대한 신고나 상담이 필요하신 경우에는 아래 기관에 문의하시기 바랍니다.
가. 개인정보침해신고센터 : privacy.kisa.co.kr / 118
나. 대검찰청 인터넷범죄수사센터 : www.spo.go.kr / 1301
다. 경찰청 사이버안전국 : cyberbureau.police.go.kr / 182